| MIKUNI CARBURETORS |  | 
| 
 | 
 | 
The popular 
  Mikuni Carburetors has been discontinued in 1995.  
  We continue to support your part needs for the 40 PHH, 44 PHH, and 50 
  PHH.  Parts are getting harder and 
  harder to source, and we suggest you stock-up on the tuning items and regular 
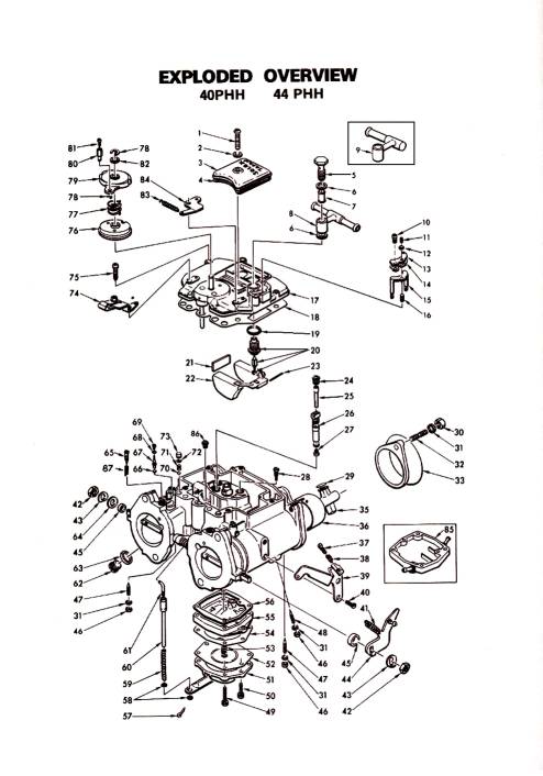
  maintenance parts.  Please refer 
  to the exploded diagram to identify these parts.  
  Please note quantity required for EACH carburetor.
